Index of /doc/Audio/Yahoo/HJLeak/Files/_Freak ST20_/Mods 10
Name
Last modified
Size
Description
Parent Directory
-
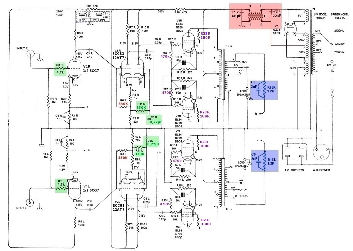
MkX schematics.jpg
2019-10-22 23:21
202K
ST20 Mods X.pdf
2019-10-22 23:21
361K